DC 12V 1.5A
DC 24V 0.75A
Features:
- Applicable to PV72 seroes proportional cartridge solenoid valve.
- Threaded connection, coil can be replaced without stopping.
- Coil inner hole φ21.5, full plastic sealing process.
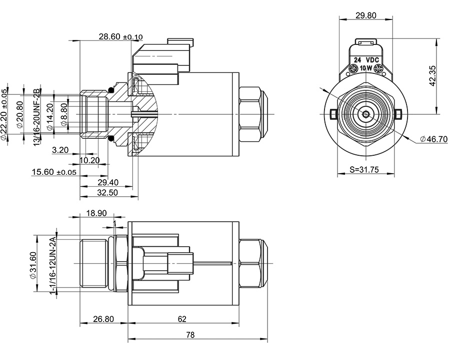
Outline and connection dimensions:
|
technical parameter |
|||
|
Ambient temperature |
℃ |
-25~50 |
|
|
Rated voltage |
VDC |
12 |
24 |
|
Rated current |
A |
1.5 |
0.75 |
|
Maximum current |
A |
1.6 |
0.8 |
|
Rated resistance |
Ω |
4.5 |
18 |
|
Rated stroke |
mm |
2.5 |
|
|
Full stroke |
mm |
3.2 |
|
|
Rated thrust |
N |
50 |
|
|
Force hysteresis |
% |
≤4 |
|
|
Current hysteresis |
% |
≤4 |
|
|
Repetition accuracy |
% |
≤1 |
|
|
Working oil pressure |
MPa |
≤21 |
|
|
Degree of protection |
IP67 |
||
|
Power on duration |
% |
100 |
|
|
Insulation class |
H(180) |
||
|
Electrical connection mode |
DT04-2P |
||
Matters needing attention:
1. After tie first use or long-term shutdown, please exhaust the air in the system first!
2. It can be installed in any direction, and it is recommended to install horizontally.
F-S characteristic curve:
簡體中文
English
Русский