DC 12V 1.7A
DC 24V 0.75A
Features:
- Applicable to 6-way hydraulic proportional directional valve.
- Equipped with mannal emergency device.
- Dust and waterproof design.
- Coil inner hole φ23, full plastic sealing process.
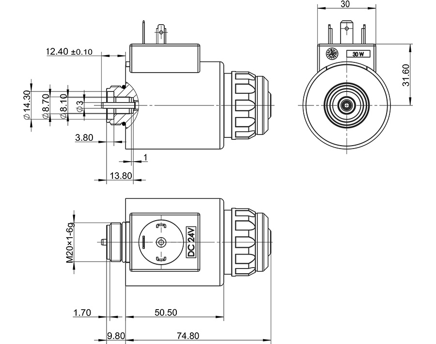
Outline and connection dimensions:
|
technical parameter |
|||
|
Ambient temperature |
℃ |
-25~50 |
|
|
Rated voltage |
VDC |
12 |
24 |
|
Rated current |
A |
1.5 |
0.75 |
|
Maximum current |
A |
1.6 |
0.8 |
|
Rated resistance |
Ω |
5 |
20 |
|
Rated stroke |
mm |
3 |
|
|
Full stroke |
mm |
6.8 |
|
|
Rated thrust |
N |
60 |
|
|
Force hysteresis |
% |
≤4 |
|
|
Current hysteresis |
% |
≤4 |
|
|
Repetition accuracy |
% |
≤1 |
|
|
Working oil pressure |
MPa |
≤21 |
|
|
Degree of protection |
IP65 |
||
|
Power on duration |
% |
100 |
|
|
Insulation class |
H(180) |
||
|
Electrical connection mode |
DIN43650 |
||
Matters needing attention:
1. After tie first use or long-term shutdown, please exhaust the air in the system first!
2. It can be installed in any direction, and it is recommended to install horizontally.
F-S characteristic curve:
簡(jiǎn)體中文
English
Русский