BYM01-18-01MD
Belongs to category: Solenoid for threaded cartridge valve
DC 12V
DC 24V
Features:
- Suitable for 4-way hydraulic solenoid pressure reducing valve.
- Equipped with mannal adjustment device.
- Dust and waterproof design.
- Coil inner hole φ18, full plastic sealing process.
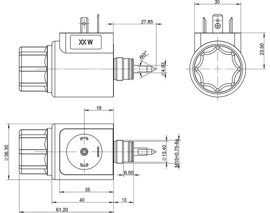
Outline and connection dimensions:
|
technical parameter |
||
|
Ambient temperature |
℃ |
-25~50 |
|
Voltage fluctuation range |
% |
85~110 |
|
Rated power |
W |
16 |
|
Rated stroke |
mm |
1.5 |
|
Full stroke |
mm |
≥3 |
|
Working oil pressure |
Mpa |
≤21 |
|
Degree of protection |
IP67 |
|
|
Operating frequency |
T/h |
12000 |
|
Power on duration |
% |
100 |
|
Insulation class |
H(180) |
|
|
Electrical connection mode |
DT04-2P |
|
Matters needing attention:
1. After tie first use or long-term shutdown, please exhaust the air in the system first!
2. It can be installed in any direction, and it is recommended to install horizontally.
F-S characteristic curve:
The sample data comes from the laboratory environment and is only for reference. If your company needs the latest data or has special needs, please contact Boye hydraulic engineer.
Go back
簡體中文
English
Русский