BYM01-18-01MG
Belongs to category: Solenoid for threaded cartridge valve
DC 24V
AC 220V
Features:
- Suitable EP-08 solenoid pressure reducing valve.
- Dust and waterproof design.
- Coil inner hole φ13, full plastic sealing process.
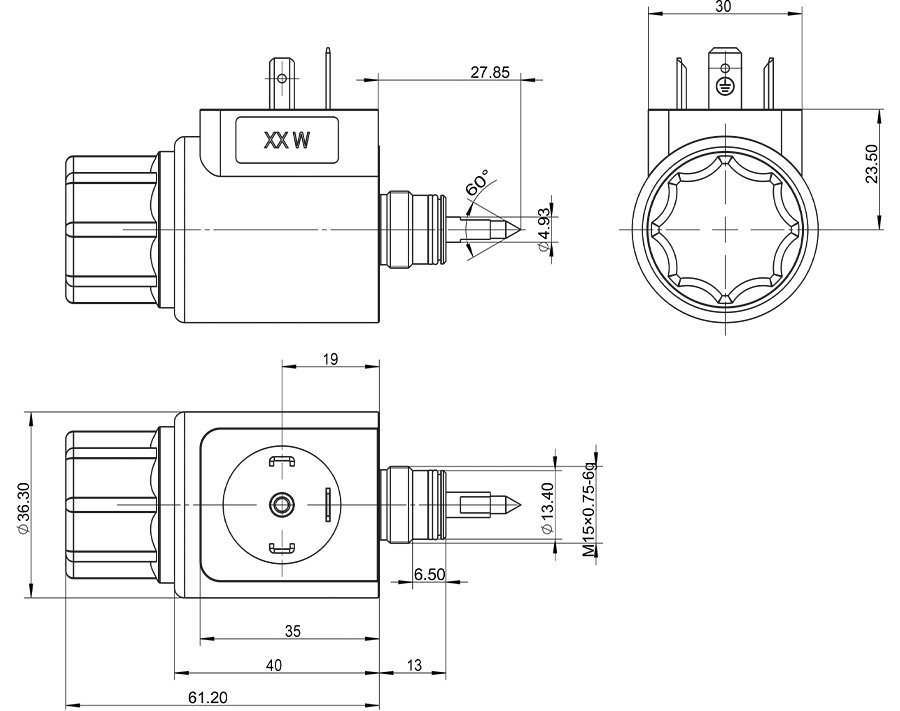
Outline and connection dimensions:
|
technical parameter |
||
|
Ambient temperature |
℃ |
-25~50 |
|
Voltage fluctuation range |
% |
85~110 |
|
Rated power |
W |
16 |
|
Rated stroke |
mm |
1.5 |
|
Full stroke |
mm |
≥3 |
|
Working oil pressure |
Mpa |
≤21 |
|
Degree of protection |
IP65 |
|
|
Operating frequency |
T/h |
12000 |
|
Power on duration |
% |
100 |
|
Insulation class |
H(180) |
|
|
Electrical connection mode |
DIN43650 |
|
Matters needing attention:
1. The coil must not be powered on alone!
2. Non-explosion-proof coils must not be used in explosive media!
3. After the coil is installed, it must be grounded reliably, otherwise there is a risk of electric shock!
F-S characteristic curve:
The sample data comes from the laboratory environment and is only for reference. If your company needs the latest data or has special needs, please contact Boye hydraulic engineer.
Go back
簡體中文
English
Русский