DC 12V
DC 24V
Features:
- Applicable to two-way control solenoid valve.
- Equipped with manual emergency device
- Coil full plastic sealing process.
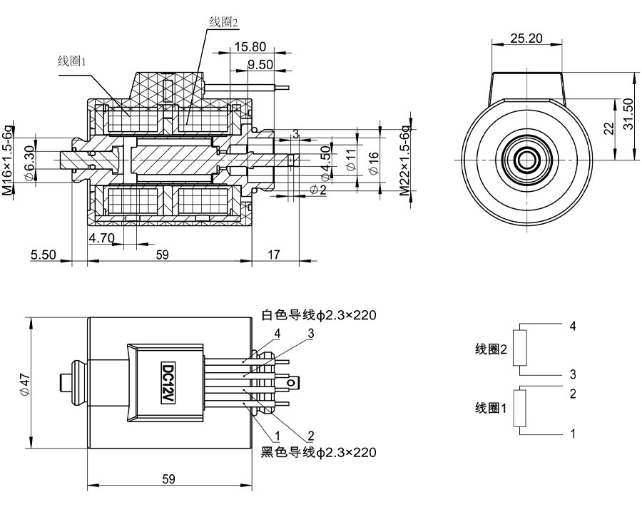
Outline and connection dimensions:
|
/technical parameter |
|||
|
Ambient temperature |
℃ |
-25~50 |
|
|
Rated voltage |
VDC |
12 |
24 |
|
Rated current |
A |
2.4 |
0.6 |
|
Rated resistance |
Ω |
5 |
20 |
|
Rated stroke |
mm |
2.3 |
|
|
Full stroke |
mm |
4.7 |
|
|
Rated thrust |
N |
12 |
|
|
Repetition accuracy |
% |
≤1 |
|
|
Working oil pressure |
MPa |
≤21 |
|
|
Degree of protection |
IP65 |
||
|
Power on duration |
% |
100 |
|
|
Insulation class |
H(180) |
||
|
Electrical connection mode |
Four-lead |
||
Matters needing attention:
1. The coil must not be powered on alone,which has the risk of burning!
2. Non-explosion-proof coils must not be used in explosive media!
3. After the coil is installed, it must be grounded reliably, otherwise there is a risk of electric shock!
F-S characteristic curve:
簡(jiǎn)體中文
English
Русский