BYC10-13-01S
Относится к категории: Катушка для картриджного клапана
DC 12V
DC 24V
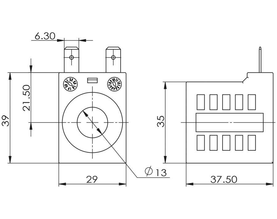
Габариты и размеры соединений:
|
технические параметры |
|||||
|
Температура окружающей среды |
℃ |
-25~50 |
Степень защиты |
IP65 |
|
|
Диапазон колебаний напряжения |
% |
85~110 |
Продолжительность включения питания |
% |
100 |
|
Номинальная мощность |
W |
16 |
Класс изоляции |
H(180) |
|
Данные образца получены в лабораторных условиях и предоставлены только для справки. Если вашей компании требуются актуальные данные или имеются особые требования, пожалуйста, свяжитесь с инженерами компании Boye Hydraulics.
Вернуться назад
簡(jiǎn)體中文
English
Русский