AC 110V 50HZ
AC 220V 50HZ
Особенности:
- Применимо для 6-ходового гидравлического соленоидного распределительного клапана.
- Благодаря резьбовому соединению катушка может быть заменена без остановки работы.
- Оснащен ручным аварийным устройством.
- Внутренний диаметр катушки φ20.
- Инкапсулирован в термореактивный пластик BMC.
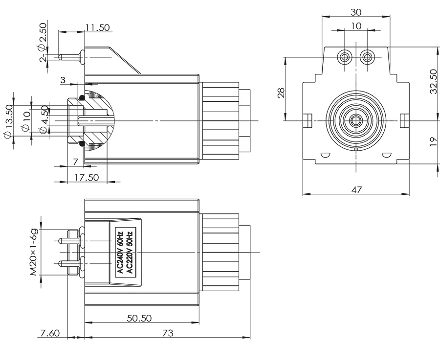
Габариты и размеры соединений:
|
технические параметры |
||
|
Температура окружающей среды |
℃ |
-25~50 |
|
Диапазон колебаний напряжения |
% |
85~110 |
|
Номинальная мощность |
W |
30 |
|
Номинальный ход |
mm |
3 |
|
Полный ход |
mm |
≥6.5 |
|
Рабочее давление масла |
Mpa |
≤21 |
|
Степень защиты |
IP65 |
|
|
Рабочая частота |
T/h |
12000 |
|
Продолжительность включения питания |
% |
100 |
|
Класс изоляции |
H(180) |
|
|
Режим электрического подключения |
||
Важные моменты:
1. Катушку нельзя использовать отдельно с подачей тока, существует риск перегрева и повреждения!
2. Катушка не является взрывозащищённой, её нельзя использовать в средах с взрывоопасными веществами!
3. После установки катушки, её необходимо надёжно заземлить, иначе существует риск поражения электрическим током!
Характеристическая кривая F-S:
簡體中文
English
Русский