BYT16-13-01
Относится к категории: Магнитная направляющая трубка для картриджного клапана
Особенности:
- Тягового типа, четырехсекционная аргонодуговая сварка медных свай, резьбовое соединение
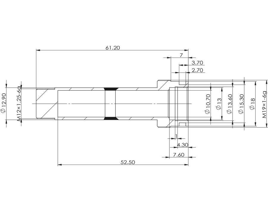
Габариты и размеры соединений:
|
Технические параметры |
|||||
|
Рабочее давление масла |
MPa |
≤21 |
Шестиугольный размер |
mm |
— |
Данные образца получены в лабораторных условиях и предоставлены только для справки. Если вашей компании требуются актуальные данные или имеются особые требования, пожалуйста, свяжитесь с инженерами компании Boye Hydraulics.
Вернуться назад
簡體中文
English
Русский