DC 24V
AC 220V
Особенности:
- Применимо для 4-ходового гидравлического соленоидного распределительного клапана.
- Благодаря резьбовому соединению катушка может быть заменена без остановки работы.
- Оснащен ручным аварийным устройством.
- Внутренний диаметр катушки φ13.
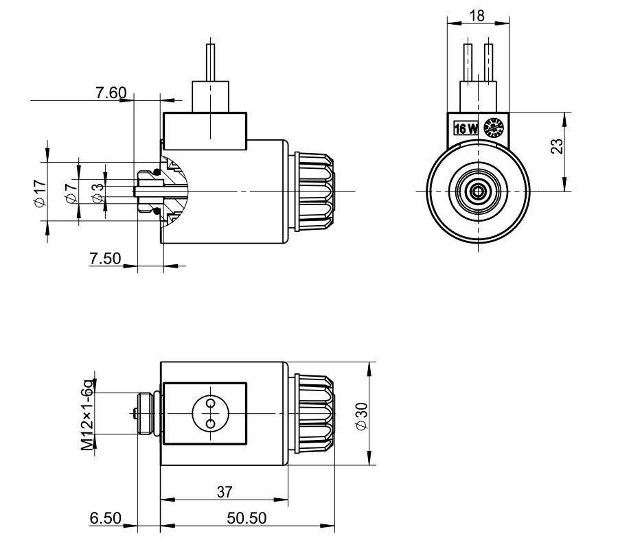
Габариты и размеры соединений:
|
технические параметры |
||
|
Температура окружающей среды |
℃ |
-25~50 |
|
Диапазон колебаний напряжения |
% |
85~110 |
|
Номинальная мощность |
W |
30 |
|
Номинальный ход |
мм |
1 |
|
Полный ход |
мм |
≥2.4 |
|
Рабочее давление масла |
МПа |
≤21 |
|
Степень защиты |
IP65 |
|
|
Частота срабатывания |
циклов/ч |
12000 |
|
Продолжительность включения |
% |
100 |
|
Класс изоляции |
H(180) |
|
|
Способ электрического подключения |
двухпроводной |
|
Важные моменты:
1. Катушку нельзя использовать отдельно с подачей тока, существует риск перегрева и повреждения!
2. Катушка не является взрывозащищённой, её нельзя использовать в средах с взрывоопасными веществами!
3. После установки катушки, её необходимо надёжно заземлить, иначе существует риск поражения электрическим током!
Характеристическая кривая F-S:
簡體中文
English
Русский